TDR Series
Redefining performance and reliability
in transmission

TDR Series

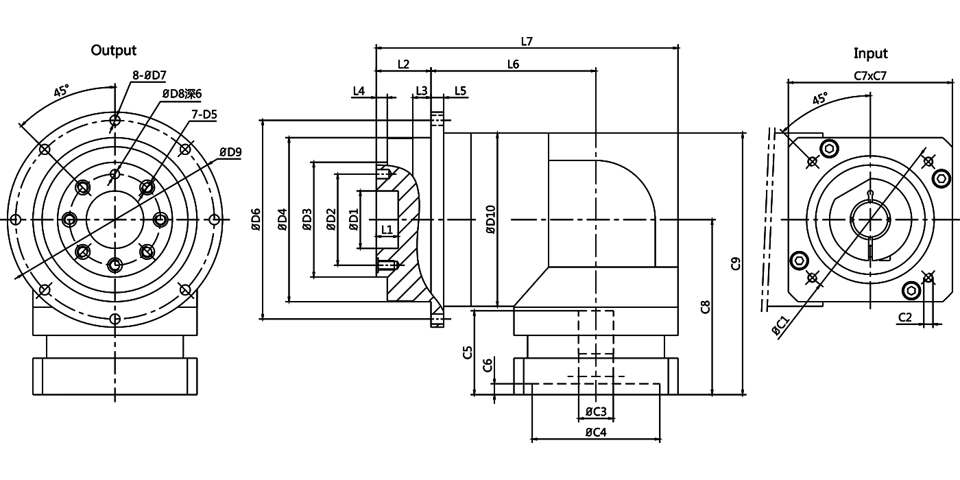
PRODUCT Precision Planetary Gearbox TDR Series
TDR SERIES
TDR SERIES

Product Highlight

Model64-140
Ratio4-100
Input speed3000-6000 Rpm
Output torque40-650 N.m

Ordering Information

TDR.jpg

Technical Parameter

TDR.jpg

Downloads Product Manual
Related Topics