TLR Series
Redefining performance and reliability
in transmission

TLR Series

PRODUCT Precision Planetary Gearbox TLR Series
TLR SERIES
TLR SERIES

Product Highlight

Model60-140
Ratio3-100
Input speed3000-6000 Rpm
Output torque30-650 N.m

Ordering Information

TLR.jpg

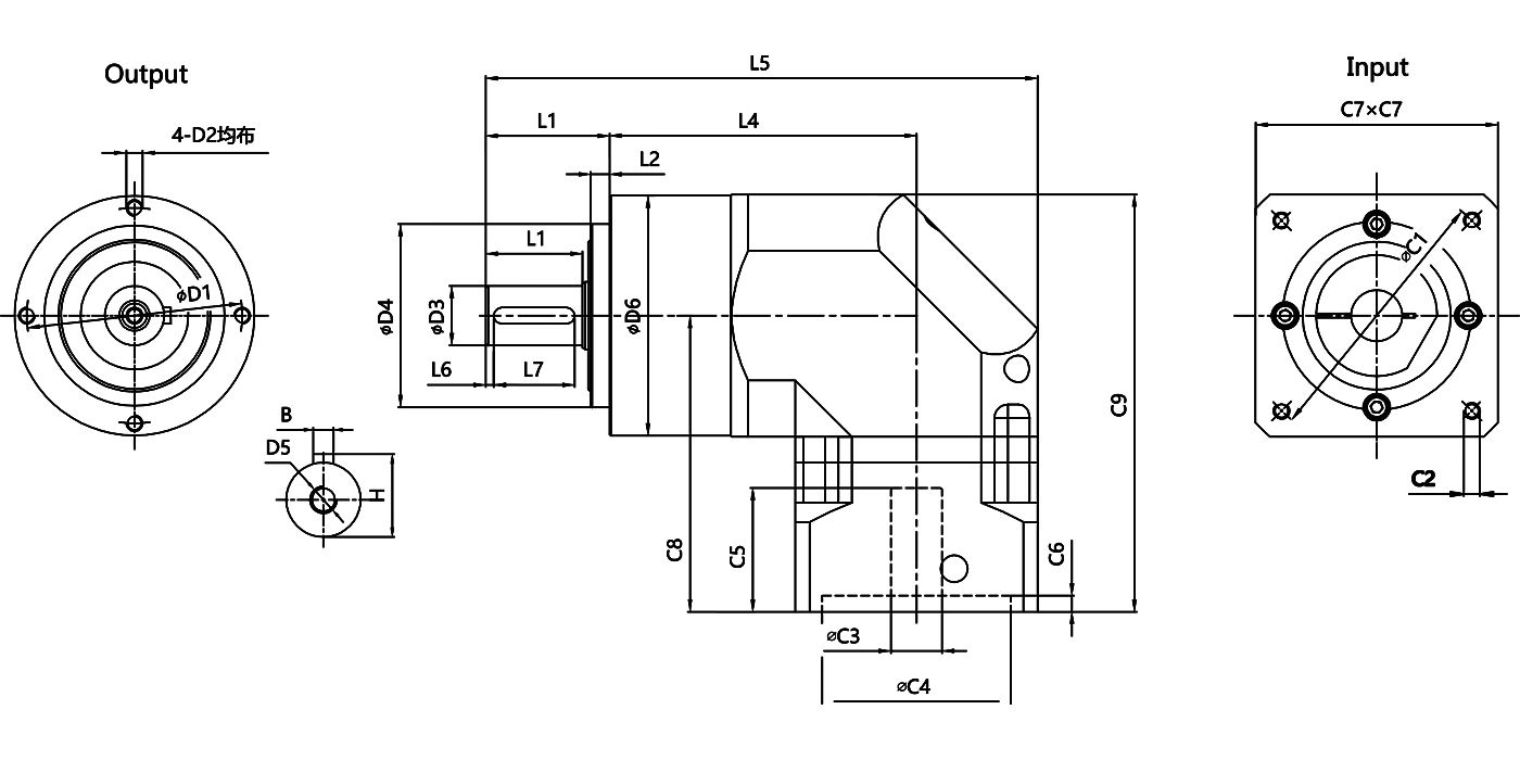
Technical Parameter

TLR.jpg

Downloads Product Manual
Related Topics